| 選擇 | 詢價 | 型號 | 尺寸(mm) | 基本額定載荷(KN) | Pu | 轉速(rpm) | 重量(Kg) | ISO335? | 尺寸(mm) | 安裝尺寸(mm) | 參數 |
|---|
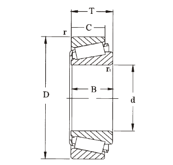
| d1 | D | B | Cr | Cor | 轉速等級 | 極限轉速 | 尺寸 (ABMA) | d | d1 | B | C | r1,2(min) | r3,4(min) | a | da(max) | db(min) | Da(min) | Da(max) | Db(min) | Ca(min) | Cb(min) | ra(max) | rb(max) | e | Y | Yo |
|
|
30352J2 |
260 |
540 |
113 |
2120 |
3050 |
250 |
850 |
1200 |
110 |
- |
260 |
376 |
102 |
85 |
6 |
6 |
97 |
325 |
286 |
461 |
514 |
493 |
15 |
28 |
5 |
5 |
0,35 |
1,7 |
0,9 |
|
|
30332J2 |
160 |
340 |
75 |
913 |
1180 |
114 |
1500 |
2000 |
29,0 |
2GB |
160 |
233 |
68 |
58 |
5 |
4 |
61 |
201 |
180 |
290 |
323 |
310 |
9 |
17 |
4 |
3 |
0,35 |
1,7 |
0,9 |
|
|
33030 |
150 |
225 |
59 |
457 |
865 |
86,5 |
2000 |
2600 |
8,15 |
2EE |
150 |
188 |
59 |
46 |
3 |
2,5 |
48 |
164 |
162 |
200 |
213 |
217 |
8 |
13 |
2,5 |
2 |
0,37 |
1,6 |
0,9 |
|
|
30326J2 |
130 |
280 |
63,75 |
627 |
800 |
83 |
1800 |
2400 |
17,0 |
2GB |
130 |
196 |
58 |
49 |
5 |
4 |
51 |
164 |
150 |
239 |
263 |
255 |
8 |
14,5 |
4 |
3 |
0,35 |
1,7 |
0,9 |
|
|
30324J2 |
120 |
260 |
59,5 |
561 |
710 |
73,5 |
2000 |
2600 |
14,0 |
2GB |
120 |
178 |
55 |
46 |
4 |
3 |
47 |
153 |
135 |
221 |
245 |
237 |
7 |
13,5 |
3 |
2,5 |
0,35 |
1,7 |
0,9 |
|
|
30322J2 |
110 |
240 |
54,5 |
473 |
585 |
62 |
2200 |
2800 |
11,0 |
2GB |
110 |
165 |
50 |
42 |
4 |
3 |
43 |
142 |
125 |
206 |
226 |
220 |
8 |
12,5 |
3 |
2,5 |
0,35 |
1,7 |
0,9 |
|
|
30320J2 |
100 |
215 |
51,5 |
402 |
490 |
53 |
2400 |
3200 |
8,05 |
2GB |
100 |
148 |
47 |
39 |
4 |
3 |
40 |
127 |
115 |
184 |
201 |
197 |
6 |
12,5 |
3 |
2,5 |
0,35 |
1,7 |
0,9 |
|
|
30319 |
95 |
200 |
49,5 |
330 |
390 |
42,5 |
2600 |
3400 |
6,70 |
2GB |
95 |
139 |
45 |
38 |
4 |
3 |
39 |
118 |
110 |
172 |
186 |
184 |
6 |
11,5 |
3 |
2,5 |
0,35 |
1,7 |
0,9 |
|
|
30318J2 |
90 |
190 |
46,5 |
330 |
400 |
44 |
2600 |
4000 |
5,65 |
2GB |
90 |
132 |
43 |
36 |
4 |
3 |
36 |
113 |
105 |
165 |
176 |
176 |
6 |
10,5 |
3 |
2,5 |
0,35 |
1,7 |
0,9 |
|
|
30317J2 |
85 |
180 |
44,5 |
303 |
365 |
40,5 |
2800 |
4000 |
4,85 |
2GB |
85 |
126 |
41 |
34 |
4 |
3 |
35 |
107 |
99 |
156 |
166 |
167 |
6 |
10,5 |
3 |
2,5 |
0,35 |
1,7 |
0,9 |
|
|
30316J2 |
80 |
170 |
42,5 |
270 |
320 |
38 |
3000 |
4300 |
4,10 |
2GB |
80 |
120 |
39 |
33 |
3 |
2,5 |
33 |
102 |
92 |
148 |
158 |
159 |
5 |
9,5 |
2,5 |
2 |
0,35 |
1,7 |
0,9 |
|
|
30315J2/Q |
75 |
160 |
40 |
246 |
290 |
34 |
3200 |
4300 |
3,45 |
2GB |
75 |
112 |
37 |
31 |
3 |
2,5 |
31 |
96 |
87 |
139 |
148 |
149 |
5 |
9 |
2,5 |
2 |
0,35 |
1,7 |
0,9 |
|
|
30314J2/Q |
70 |
150 |
38 |
220 |
260 |
31 |
3400 |
4500 |
2,90 |
2GB |
70 |
105 |
35 |
30 |
3 |
2,5 |
29 |
90 |
82 |
130 |
138 |
140 |
5 |
8 |
2,5 |
2 |
0,35 |
1,7 |
0,9 |
|
|
30313J2/Q |
65 |
140 |
36 |
194 |
228 |
27,5 |
3600 |
4800 |
2,40 |
2GB |
65 |
98,6 |
33 |
28 |
3 |
2,5 |
28 |
84 |
77 |
122 |
128 |
130 |
5 |
8 |
2,5 |
2 |
0,35 |
1,7 |
0,9 |
|
|
30312J2/Q |
60 |
130 |
33,5 |
168 |
196 |
23,6 |
4000 |
5300 |
1,95 |
2FB |
60 |
91,9 |
31 |
26 |
3 |
2,5 |
26 |
77 |
72 |
112 |
118 |
120 |
5 |
7,5 |
2,5 |
2 |
0,35 |
1,7 |
0,9 |
|
|
30311J2/Q |
55 |
120 |
31,5 |
166 |
163 |
19,3 |
4800 |
5600 |
1,55 |
2FB |
55 |
84 |
29 |
25 |
2,5 |
2 |
24 |
71 |
65 |
104 |
112 |
111 |
4 |
6,5 |
2 |
2 |
0,35 |
1,7 |
0,9 |
|
|
30310J2/Q |
50 |
110 |
29,25 |
143 |
140 |
16,6 |
5300 |
6300 |
1,25 |
2FB |
50 |
77,2 |
27 |
23 |
2,5 |
2 |
23 |
65 |
60 |
95 |
100 |
102 |
4 |
6 |
2 |
2 |
0,35 |
1,7 |
0,9 |
|
|
30309J2/Q |
45 |
100 |
27,25 |
125 |
120 |
14,3 |
5600 |
7000 |
0,97 |
2FB |
45 |
70,1 |
25 |
22 |
2 |
1,5 |
21 |
59 |
53 |
86 |
91 |
92 |
3 |
5 |
2 |
1,5 |
0,35 |
1,7 |
0,9 |
|
|
30308J2/Q |
40 |
90 |
25,25 |
100 |
95 |
10,8 |
6300 |
8000 |
0,72 |
2FB |
40 |
62,5 |
23 |
20 |
2 |
1,5 |
19 |
53 |
49 |
77 |
81 |
82 |
3 |
5 |
2 |
1,5 |
0,35 |
1,7 |
0,9 |
|
|
30307J2/Q |
35 |
80 |
22,75 |
83 |
73,5 |
8,3 |
7500 |
9000 |
0,52 |
2FB |
35 |
54,5 |
21 |
18 |
2 |
1,5 |
16 |
46 |
44 |
70 |
71 |
74 |
3 |
4,5 |
2 |
1,5 |
0,31 |
1,9 |
1,1 |
|
|
30306J2/Q |
30 |
72 |
20,75 |
64 |
56 |
6,4 |
8000 |
10000 |
0,39 |
2FB |
30 |
48,4 |
19 |
16 |
1,5 |
1,5 |
15 |
41 |
37 |
62 |
65 |
66 |
3 |
4,5 |
1,5 |
1,5 |
0,31 |
1,9 |
1,1 |
|
|
30305J2 |
25 |
62 |
18,25 |
44,6 |
43 |
4,75 |
9000 |
12000 |
0,26 |
2FB |
25 |
41,5 |
17 |
15 |
1,5 |
1,5 |
13 |
34 |
32 |
54 |
55 |
57 |
2 |
3 |
1,5 |
1,5 |
0,3 |
2 |
1,1 |
|
|
30304J2/Q |
20 |
52 |
16,25 |
39 |
32,5 |
3,6 |
12000 |
14000 |
0,17 |
2FB |
20 |
34,3 |
15 |
13 |
1,5 |
1,5 |
11 |
28 |
27 |
44 |
45 |
47 |
2 |
3 |
1,5 |
1,5 |
0,3 |
2 |
1,1 |
|
|
32303J2/Q |
17 |
47 |
20,25 |
40 |
33,5 |
3,65 |
12000 |
16000 |
0,17 |
2FD |
17 |
30,7 |
19 |
16 |
1 |
1 |
12 |
24 |
23 |
39 |
41 |
43 |
3 |
4 |
1 |
1 |
0,28 |
2,1 |
1,1 |
|
|
30303J2 |
17 |
47 |
15,25 |
28,1 |
25 |
2,75 |
12000 |
16000 |
0,13 |
2FB |
17 |
30,4 |
14 |
12 |
1 |
1 |
10 |
25 |
23 |
40 |
41 |
42 |
2 |
3 |
1 |
1 |
0,28 |
2,1 |
1,1 |
|
主站蜘蛛池模板:
樟树市|
仙居县|
谢通门县|
阆中市|
庐江县|
阿克苏市|
新巴尔虎左旗|
阳西县|
新昌县|
兰溪市|
德昌县|
台中市|
普洱|
祁门县|
云浮市|
越西县|
耿马|
邹平县|
建平县|
天津市|
松潘县|
怀远县|
湟源县|
永泰县|
陆良县|
都昌县|
措美县|
永清县|
京山县|
岳普湖县|
迁西县|
乌拉特后旗|
乳源|
子洲县|
巴东县|
楚雄市|
祁连县|
赤水市|
广南县|
惠水县|
凭祥市|